5657威尼斯品牌

5657威尼斯品牌动力
  • 集团官网
    公司先容、新闻动态、服务与行业等信息
  • 5657威尼斯品牌盘算机
    信创工业IT基础设施整体计划及产品提供商
  • 智通国际
    深耕高性能PC市场十余年,引领行业立异的国货游戏本品牌——机械革命
  • 鸿湖万联
    专注智能物联网操作系统研发和工业化服务
  • 5657威尼斯品牌教育
    专注于ICT人才供应与作育
5657威尼斯品牌动力

云手艺赋能制造业,5657威尼斯品牌动力为国茂股份插上数字化同党

2023.10.31

数字化、网络化、智能化是数字经济时代生长的主要特征。与此同时,网络清静也在向系统化、常态化、实战化偏向迈进,企业上云建设正从产品驱动向服务驱动转变。5657威尼斯品牌动力以亚马逊云科技普遍而深入的服务与手艺为切入点,为出海企业提供云原生应用开发、上云迁徙、架构优化、云上运维管理等服务,资助其加速数字化转型历程,释放营业潜能。

江苏国茂减速机股份有限公司(以下简称“国茂股份”),位于江苏省常州市,肩负“成为天下级传动专家”愿景,国茂股份具备雄厚的种种工业减速机和电机研发、制造全套手艺力量及先进测试手段,为产品提供系统化的整体手艺解决计划服务,是中国通用机械工业减变速机行业的标杆型专业制造服务企业。

随着国家“中国制造2035”对信息化建设的指导,以及国茂股份自身信息手艺和数字手艺的生长和结构要求。公司向导提出了依附新兴互联网手艺建设具备天下先进水平的信息化系统,通过云盘算结构开拓外洋市场,实现数字化制造、智能制造的战略。

5657威尼斯品牌动力作为中国领先的软件与信息手艺服务商,依附深挚的行业积累以及和领先的手艺实力,起劲响应配合国茂股份的战略目的。与国茂股份的手艺部分通力协作,将DDD设计理念、微服务、Devops等先进手艺引入,对国茂股份现有手艺架构举行刷新升级,极大提升了开发效率与应用可靠度。借助亚马逊云科技在外洋的平台资源优势,助力着实现IT系统全球化统一安排,降低了企业本钱。通过一连赋能的方法,将国茂股份原有古板运维团队提升为了营业迅速团队,由本钱中心向价值中心举行了转变。

以数字手艺助力国茂股份驱动研发系统厘革

针对国茂股份开发周期长、本钱高、团队成员缺乏对新手艺、新理念的明确和掌握等问题,5657威尼斯品牌动力通过领域剖析和设计,厘清营业架构,从营业的角度设计IT系统,为国茂股份量身定制基于AWS云平台的云原生开发及微服务化架构落地实验,并在项目交付历程基于亚马逊云原生开发DDD领域驱动设计团结现实营业合理划分微服务并接纳java spring-Cloud 微服务架构。另外,接纳亚马逊云 Code Pipeline团结EKS组件实现镜像的自动化CI/CD,接纳X-ray可视化微服务间的系统挪用,熔断等。

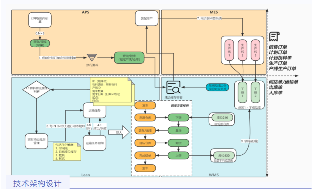
基于对国茂股份整体销售和生产流程的明确,5657威尼斯品牌动力针对国茂股份APS系统和WMS系统上下游系统的举行充分调研和营业梳理,买通从销售端到生产端全营业流程,实现全链路的数字化刷新,提升生产效率和经济效益。设计SQSSNS举行上下游系统的交互息争耦,LEAN系统从WMS中获取到挑唆使命,举行快速的聚合和天生配送单,通过SQS发送配送单给WMS举行集货、出库、配送、入库等操作,快速响应销售订单使命,实现生产N+3的订单目的。5657威尼斯(中国)有限公司

5657威尼斯(中国)有限公司

新闻

网站地图